• お問い合わせカート ()

お問い合わせカート

検索製品

  • ホームページ
  • Planetary gear reducer
  • Dimension
  • HS-Horizontal dual shaft type

Planetary gear reducer

  • Efficiency and Factor
  • Structure and Characteristic
  • Application
  • Type
    • Type Information
    • Type Selection
    • Technical Data
  • Dimension
    • HF-Horizontal flange type
    • VF-Vertical flange type
    • HS-Horizontal dual shaft type
    • VS-Vertical dual shaft type
  • Catalog download
  • ホームページ
  • Planetary gear reducer
  • Dimension
  • HS-Horizontal dual shaft type

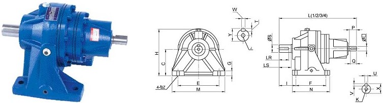
HS-Horizontal dual shaft type



HS臥式雙軸型.jpg

分隔線.jpg

Dimension Table (mm)

HS尺寸.png

分隔線.jpg

Length Table (mm)

HS長度-2.pngHS長度-3.pngHS長度-4.pngHS長度-1.png

© 2026 All rights reserved.
このウェブサイトでは、クッキーを使用して必要なユーザーの閲覧行動を収集し、より良い閲覧体験を提供しています。詳しくは、以下の 「プライバシーに関連する告知」。
× 閉じる